
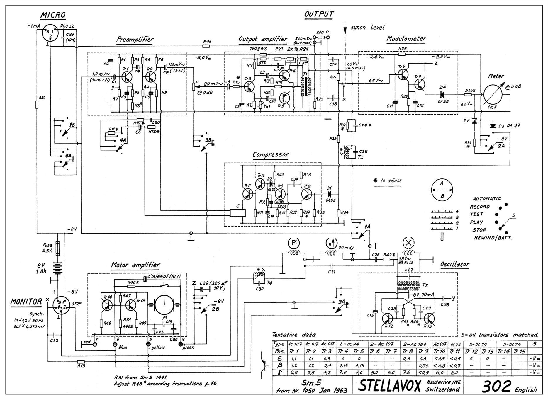
| Stellavox Sm 5
är avsedd för inspelning med pilotton. Bandhastigheten är 19,05 cm/sek,
och frekvensgången 40-12.000 Hz. Elektroniken består av 15
transistorer, 3 dioder och en zenerdiod. Sm 5 drivs av fyra uppladdningsbara tvåvoltsbatterier typ Sonnenschein dryfit. Batteritid, 5 h. Signal/brusförhållandet: 50 dB. Spoldiameter: 3". Rekommenderd bandtyp: Scotch 200 (double play). Inspelningstid: 12 minuter med Scotch 200. Arbetstemperatur: -10 to +50° C. Dimensioner: 24,5 x 13,5 x 6,5 cm. Vikt: 2,3 kg. Längst till
vänster på fronten sitter banankontakter för anslutning av hörlurar,
30 Ω. Till höger om banankontakterna sitter en 3-polig
PREH-kontakt, en ingång för en dynamisk mikrofon. Sedan följer en
5-polig PREH-kontakt för fjärrkontroll, laddare, anslutning av en liten
lampa och ingång för pilottonen. Ovanför Stellavoxloggan sitter en
”Empty/Full”-indikator, som visar bandåtgången. Därefter har vi ett
VU-instrument, en nivåratt och ett huvudreglage för bl.a. start, stopp
och inspelning. De fyra klossarna i bakkanten är bandspelarens
batterier. Bandspolarnas diameter är 3". Bandet i en Sm 5 rullar från
höger till vänster. |
| EMT-Courier,
juni 1961: The New Stellavox Sm 5 ... is already available! It incorporates a number of remakable improvements, compared with the former type "Sm 4". The most important ones are quick motory reverse-spooling and automatic volume control by means of an installed dynamic compressor. Morover, new DRYFIT-storage-cells are used to optain a longer time of operation. The recorder is supplied with battery charger and a still more appropriate carrying case. EMT-Courier,
september 1964: |



