Neumann UM57





Neumann UM57 började tillverkas 1956 i Neumann-fabriken i Gefell.
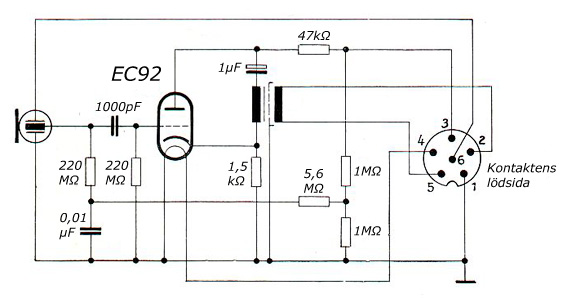
Mikrofonen har omställbar karakteristik, EC92-rör och M7-kapsel.




Det inre av en Neumann UM57




Schema till Neumann UM57




Schema till nätaggregatet UN57