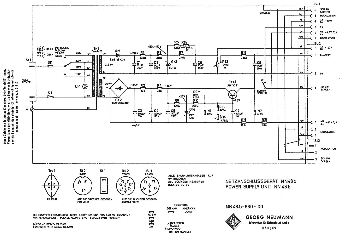
Neumann NN48a & NN48b, nätaggregat för bl.a. M49/M50/M249/M250/M269/KM53/KM54/KM56.
NN48a & NN48b fungerar till alla AC701-mikrofoner, under förutsättning att du ser till
att kalibrera nätaggregatet så att utspänningarna stämmer med mikrofonens krav.

| År 1946 uppfann Georg Neumann det slutna NiCd-batteriet, och året därpå började han tillverka sådana i form av 1,5 volts s.k. Stabilyter. I nätaggregatet NN48a sitter det några Stabilyter, och där fungerar de som väldigt stora kondensatorer till glödspänningen. Tyvärr var Stabilyternas livslängd begränsad. Men spänningen till glöden blev stabil och väl glättad. Det går att byta ut Stabilyterna i NN48a mot moderna NiCd-batterier. |


Med R14 justerar du glödspänningen så att den blir anpassad till kabellängden.
Till startsidan