|
Nagra SN
|
|
Foto: Håkan
Lindberg
|

| NAGRA SN
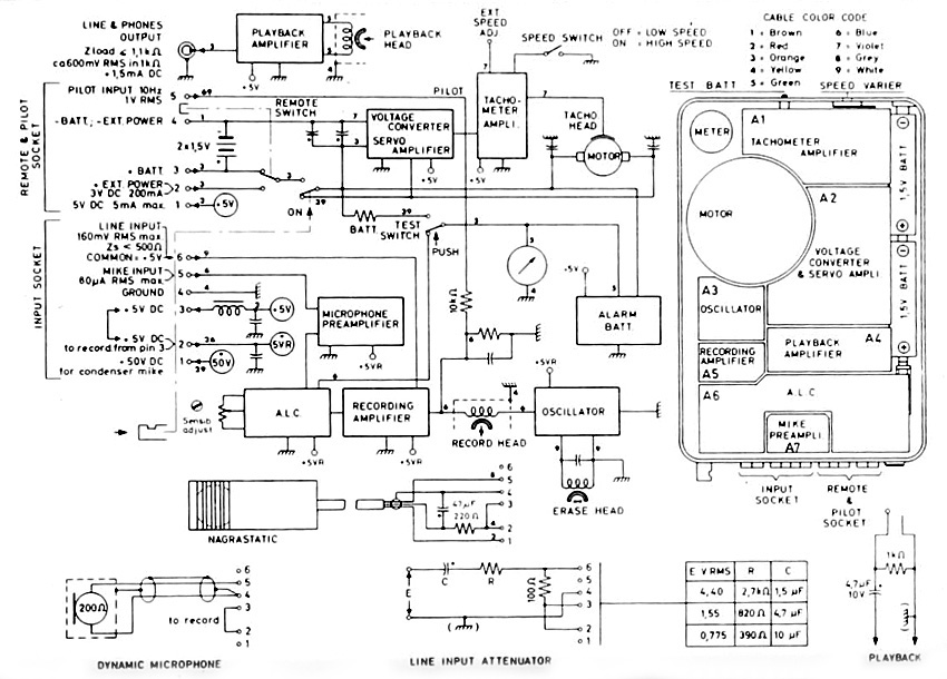
(Série Noir) är konstruerad och byggd av Kudelski SA i Schweiz. Bandspelaren lanserades för vanligt folk på Photokina i Köln 1970. Men det lär ha funnits en prototyp redan 1960. Med tanke på att bandspelaren är så liten, inte större än en plånbok (du kan ha den i fickan), levererar den förvånansvärt hög ljudkvalitet. Den kan registrera 80 Hz - 15 kHz och ett signal/brusförhållande på 60 dB, A-vägt. Måtten är 147 x 100,5 x 26 mm. Vikt, med band och batterier, 590 gram. Målgrupperna torde från början ha varit radioreportrar, forskare, en och annan filmljudtekniker som drömde om fungerande sändarmikrofoner men inte hittade några, samt naturligtvis alla världens underrättelseorganisationer. Ljudbanden till Nagra SN har samma bredd som banden i Philips Compact-kassetter, 1/8" (3,81 mm). Vid 3 3/4" räcker ett standardband 27 minuter. Med tunnare band blir inspelningstiden 54 minuter. Bandspolarna har måtten 68 x 6,35 mm. Nivåkontrollen är automatisk och mikrofoningången klarar både dynamiska mikrofoner och kondesantormikrofoner. Bandspelarens mätinstrument visar graden av kompression eller batterinivå. Nagra SN drivs med 5 volt från två 1,5 volts AA-batterier. Den innehåller alltså en spänningsomvandlare som även levererar 50 volt till en kondensatormikrofon. Strömförbrukning vid inspelning är 125 mA vid 3 V. Batteritid vid kontinuerlig drift: > 5 timmar. Bandspelaren har ett raderhuvud, ett inspelningshuvud och ett avspelningshuvud. Du kan alltså lyssna via band vid inspelning. Det finns inga omkopplare på Nagra SN, bara ett skjutreglage för start och stopp. När du har monterat mikrofonen, i den mångpoliga kontakten på bandspelarens högra kortsida, är apparaten genast klar för inspelning. Tar du bort kontakten är den klar för avspelning. I kontakten finns stift för start och stopp via kabel eller sändare. Återspolningen sker för handkraft med hjälp av en liten vev. Motorn i Nagra
SN är servostyrd och har en intergrerad kapstanaxel. Apparaten
innehåller inga remmar. Istället används kugghjul. |




