Neumann N52, nätaggregat i kassett
för bl.a. M49/M50/M249/M250/M269/KM53/KM54/KM56.
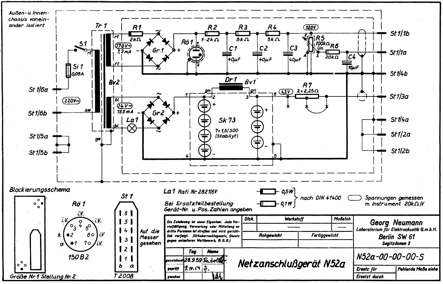
| N52 fungerar till alla AC701-mikrofoner, under förutsättning att du ser till att kalibrera nätaggregatet så att utspänningarna stämmer med mikrofonens krav. N52a har ofta ett 150B2 som stabilisatorrör för anodspänningen och stabilyter (slutna NiCd-batterier) för glöden, medan N52t stabbar anodspänningen med en zenerdiod och glöden med germaniumtransistorer. Moderna stabbkretsar brusar ofta och bör undvikas i nätaggregat för rörmikrofoner. Ta dig i akt om du hittar ett modifierat N52. Be någon kunnig mäta bruset. |





| År 1946 uppfann Georg Neumann det slutna NiCd-batteriet, och året därpå började han tillverka sådana i form av 1,5 volts s.k. Stabilyter. I nätaggregatet N52a sitter det några Stabilyter, och där fungerar de som väldigt stora kondensatorer till glödspänningen. Tyvärr var Stabilyternas livslängd begränsad. Men spänningen till glöden blev stabil och väl glättad. Det går att byta ut Stabilyterna i N52a mot moderna NiCd-batterier. |


