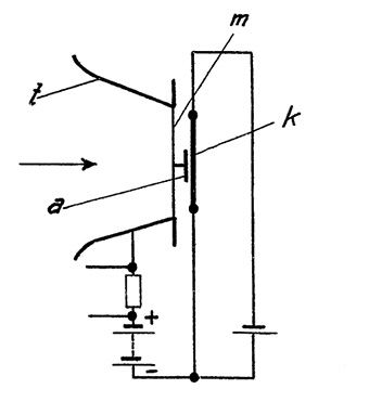
| Katoden
(K) består av en platinatråd, täckt med bariumoxid, virad runt en liten
stav av ett eldfast keramiskt material. Katoden hettas upp av ett
batteri (B). Någon tiondels millimeter från katoden sitter anoden (A)
med en tratt som fångar upp ljudet. Anoden får en positiv laddning från
ett eget batteri via potentiometern (P).
Bariumoxidens
höga temperatur gör att den omgivande luften joniseras och blir
elektriskt ledande. En elektrisk ström kan alltså flöda i luftgapet
mellan anoden och katoden. Ljudvågor som når trattens innersta påverkar
luftflödet, och därmed också den elektriska strömmen mellan katoden och
anoden. Man kan säga att en Kathodophon fungerar ungefär som en triod i
fria luften.
Men
Kathodophonen detekterar inte bara ljudvågor. Även damm och andra
partiklar som passerade luftgapet hörs. Så det finns problem med
konstruktionen.

Den kom
hur som helst till användning vid några av Tri-Ergons filminspelningar,
och 1924 gjorde Lorenz AG i Berlin ett försök att sälja Kathodophoner.
Men vid det laget fanns det bättre mikrofoner på marknaden.
|